ASKER Durometer Type JA
The ASKER Durometer Type JA for general rubber, conforming to the specifications of the former JIS K 6301.
It complied with Spring type hardness tester Type A in the formerly applicable standards of JIS J6301"Physical Testing Methods for Vulcanized Rubber", abolished in Aug, 1998. However, it is used even now for measurement data or internal management data upon the agreement of concerned parties due to its extensive use historically within the rubber industry.

Features
Indentor

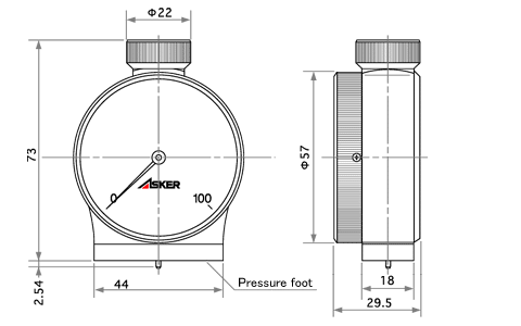
Height: 2.54mm Shape: Flat Cone Point
Pressure foot

The Pressure foot in contact with the specimen is 44mm in width and 18mm in depth, wide enough to ensure accurate measurement. The Longer Pressure Foot Type (JAL type)is applicable for measurement of narrow or concave specimens.
Hardness Tester Selection Chart

Our product line consists of various types of durometers applicable to specific materials as indicated in the chart above.
Type A Durometer (ASKER A type), conforming to JIS K 6253-3 is the most popular type of durometer for measuring rubber hardness.
However, verification is recommended because a significant difference is estimated to be the largest when a durometer indicates measurement values from 10 to 90 points.
For hard specimens for which Type A Durometer readings indicate more than 90 points, measurements should be undertaken using the Type D Durometer (ASKER D type). However, for soft specimens with measurements of less than 20 points, the ASKER C type or Type E Durometer (ASKER E type) should be used. The most important consideration in using durometers is to select the correct type for purposes of measurement according to the specimen.
Specification
- Standards
- JIS K 6301
- Indication range
- 0 point - 100 point (262 degree dial scale)
- Minimum indication
- 1 point (Accuracy : ±1 point)
- Indentor Design (mm)
- Height: 2.54mm 35°Angle Flat Cone Point 0.79 Dia.
- Spring Forces [mN(g)]
-
- 0 point:
- 539(55)
- 100 point:
- 8379(855)
- Central hole of diameter of Pressure foot
- Φ3
- Pressure foot Dimension (mm)
- 44×18(Rectangular)
- Outer Dimension (mm)
- Approx. Width 57×Depth 30×Height 76
- Weight (g)
- 200
- Application
- general rubber
Outer Dimension (mm)

A custom designed pressure foot durometer is available according to specimen conditions.
Option

Two-pointer type (max-hand and active hand) of Rubber Hardness Tester
The stationary set hand (max-hand) makes the maximum value easier to read and allows the creep characteristics of a specimen.
Accurate measurement is made possible for specimens* for which stress relaxation occurs over time or for specimens for which it is difficult to take readings from the front.
*Materials for which the reading decreases immediately after the indentor has been pressed against the surface.

Constant Loader for Durometer
- Constant loarder assures uniform test pressure eliminating false readings due to differences between operators in measuring by hand.
- High accuracy and repeatability of the hardness readings are assured by the flexible joint function.

Indentor Extension Tester
- The gauge to check the indentor height on a durometer and the reading indicator mechanism.
- Inspection is conducted at 2, 50, and 100 points respectively.

Load Tester for Hardness Tester
- Tester to check load properties of the spring on a durometer
- Inspection is conducted at 25, 50, and 75 points respectively.