ASKER Durometer Type BL
The ASKER Durometer Type B for semi-rigid rubber (from normal hardness to high hardness), as specified by ASTM D2240
It is used for measuring harder specimens, such as earthenware clay or mossed pottery, than the Type A durometer, because the indentor is spring-loaded as in the ASKER Type A, but is a conical shape as in the ASKER Type D.

Features
Indentor

Height: 2.50mm Shape: Sharp Cone Point
Hardness Tester Selection Chart

Our product line consists of various types of durometers applicable to specific materials as indicated in the chart above.
Type A Durometer (ASKER A type), conforming to JIS K 6253-3 is the most popular type of durometer for measuring rubber hardness.
However, verification is recommended because a significant difference is estimated to be the largest when a durometer indicates measurement values from 10 to 90 points.
For hard specimens for which Type A Durometer readings indicate more than 90 points, measurements should be undertaken using the Type D Durometer (ASKER D type). However, for soft specimens with measurements of less than 20 points, the ASKER C type or Type E Durometer (ASKER E type) should be used. The most important consideration in using durometers is to select the correct type for purposes of measurement according to the specimen.
Specification
- Standards
- ASTM D 2240
- Indication range
- 0 point - 100 point (262 degree dial scale)
- Minimum indication
- 1 point (Accuracy : ±1 point)
- Indentor Design (mm)
- Height: 2.50 30°Angle Sharp Cone Point Tip Radius 0.1
- Spring Forces [mN(g)]
-
- 0 point:
- 550(56)
- 100 point:
- 8050(821)
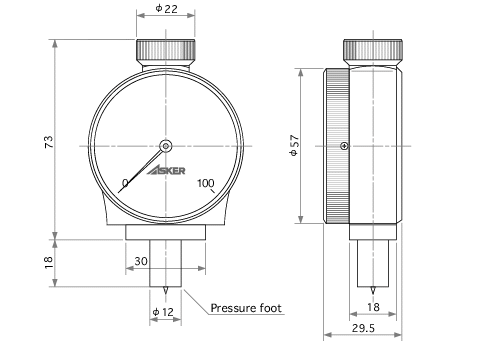
- Central hole of diameter of Pressure foot
- Φ3
- Pressure foot Dimension (mm)
- Φ12 Longer foot type Length: 18
- Outer Dimension (mm)
- Approx. Width 57×Depth 30×Height 94
- Weight (g)
- 200
- Application
- Semi-rigid rubber, Earthenware clay
Outer Dimension (mm)

A custom designed pressure foot durometer is available according to specimen conditions.
Option

Two-pointer type (max-hand and active hand) of Rubber Hardness Tester
The stationary set hand (max-hand) makes the maximum value easier to read and allows the creep characteristics of a specimen.
Accurate measurement is made possible for specimens* for which stress relaxation occurs over time or for specimens for which it is difficult to take readings from the front.
*Materials for which the reading decreases immediately after the indentor has been pressed against the surface.

Constant Loader for Durometer
- Constant loarder assures uniform test pressure eliminating false readings due to differences between operators in measuring by hand.
- High accuracy and repeatability of the hardness readings are assured by the flexible joint function.

Indentor Extension Tester
- The gauge to check the indentor height on a durometer and the reading indicator mechanism.
- Inspection is conducted at 2, 50, and 100 points respectively.

Load Tester for Hardness Tester
- Tester to check load properties of the spring on a durometer
- Inspection is conducted at 25, 50, and 75 points respectively.